-
Affaire Epstein: Jack Lang exclut de démissionner de l'IMA et plaide la "naïveté"
-
Foot: Kanté rejoint Fenerbahçe avec toujours une vue sur les Bleus
-
E-cigarette: vapoter, c'est aussi prendre des risques pour sa santé, avertit l'agence de sécurité sanitaire
-
Cancer du poumon: dépistage proposé à 20.000 personnes à partir de mars, avant une généralisation prévue
-
Cancer: quand la désinformation entrave la guérison
-
Foot: N'Golo Kanté quitte l'Arabie saoudite pour Fenerbahçe après l'intervention d'Erdogan
-
NBA: Cunningham et les Pistons résistent aux Nuggets, les Knicks enchaînent un 7e succès
-
NBA: les LA Clippers échangent James Harden à Cleveland contre Darius Garland
-
Les graffiti de Pompéi mis en lumière par la science
-
En Thaïlande, le parti favori des jeunes craint d'être à nouveau écarté du pouvoir
-
A Washington, la diplomatie du minerai
-
Fin de vie: après le rejet du Sénat, la loi sur l'aide à mourir revient à l'Assemblée
-
Les députés votent sur l'avenir des barrages français
-
Ukrainiens, Russes et Américains se retrouvent à Abou Dhabi pour négocier la paix
-
Venezuela: des milliers de partisans de Maduro dans la rue pour réclamer son retour
-
Foot: N'Golo Kanté quitte l'Arabie saoudite pour Fenerbahçe
-
Deschamps et les médias: "accepter la critique" et "faire passer un message"
-
Les Etats-Unis tournent la page de la paralysie budgétaire
-
Coupe du Roi: le FC Barcelone premier qualifié pour les demies
-
Coupe de France: un peu de réconfort et un quart de finale pour l'OM
-
Le président de la Colombie affirme que Trump a accepté de jouer les médiateurs avec l'Equateur
-
Wall Street en recul, pénalisée par la tech
-
Après une année 2025 "record", Santander va acquérir la banque américaine Webster Bank pour plus de 10 mds EUR
-
Libye: Seif al-Islam Kadhafi, l'un des fils du dictateur défunt, tué par des hommes armés (conseiller)
-
En Finlande, les doutes affleurent après le contrat de fourniture de brise-glaces aux Etats-Unis
-
Libye: Seif al-Islam Kadhafi, l'un des fils du dictateur défunt, est mort
-
L'Espagne veut lutter contre les contenus illégaux sur les réseaux sociaux
-
Face aux accusations de discrimination, ses proches défendent la mémoire de Samuel Paty
-
Procès RN: cinq ans d'inéligibilité requis en appel contre Marine Le Pen
-
Trump reçoit discrètement le président colombien
-
Prêt-à-porter enfant: le groupe IDKIDS (Okaïdi) placé en redressement judiciaire
-
La fin de la paralysie budgétaire aux Etats-Unis attendue au Congrès
-
La Bourse de Paris termine à l'équilibre, en pleine semaine de résultats d'entreprises
-
Le constructeur de véhicules électriques chinois BYD prévoit un modèle spécifique pour l'Inde
-
Trump reçoit le président colombien pour amorcer un dialogue
-
Affaire Epstein : l'ex-ambassadeur Peter Mandelson quitte la Chambre des Lords
-
Les Etats-Unis misent sur un Venezuela "démocratique", selon la cheffe de leur mission diplomatique
-
"Production, préservation, protection": Macron veut rassurer les agriculteurs avant leur Salon
-
Syrie: les forces gouvernementales entrent dans le bastion kurde de Qamichli
-
Norvège: jugé pour viols, le fils de la princesse Mette-Marit invoque des rapports consentis
-
Une professeure entre la vie et la mort, poignardée par un collégien en classe dans le Var
-
Le groupe Disney choisit Josh D'Amaro, responsable des parcs d'attractions, comme futur patron
-
Abiy accuse l'Erythrée de "massacres" durant la guerre au Tigré, "mensonges" selon Asmara
-
Ski: Lindsey Vonn confirme qu'elle participera aux JO-2026 malgré sa blessure
-
Une professeure poignardée par un collégien en classe dans le Var, son pronostic vital engagé
-
La Colombie extrade un criminel vers les Etats-Unis peu avant une rencontre Petro-Trump
-
TikTok, X, Kick ou Telegram: ces plateformes visées par la justice française
-
Le rappeur Doums condamné à huit mois de prison avec sursis pour violences conjugales
-
"Concentrons-nous" sur le sport, cap fixé par Coventry au CIO
-
Procès RN: l'accusation dénonce la "stratégie de délégitimation" et va requérir des peines d'inéligibilité
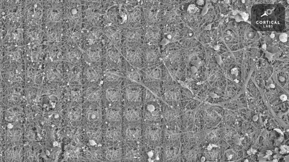
Des neurones doués de sensations ont appris à jouer à un jeu vidéo (étude)
Des neurones cultivés dans une boîte de Petri sont capables d'apprendre à jouer à Pong, le grand classique des jeux vidéo, faisant ainsi preuve d'un "comportement intelligent et doué de sensations", selon des chercheurs en neurosciences australiens.
Cette étude, publiée mercredi dans la revue scientifique Neuron, ouvre la voie à un nouveau type de recherches qui pourraient un jour se servir de neurones pour traiter des informations, sorte de machines biologiques qui épauleraient les ordinateurs numériques, selon le chercheur ayant mené les recherches, Brett Kagan.
"Les machines sont incapables d'apprendre très rapidement des choses. Pour qu'un algorithme de +machine learning+ (l'apprentissage automatique, une technique d'intelligence artificielle, NDLR) apprenne quelque chose, il a besoin de milliers d'échantillons de données", a-t-il expliqué.
Tandis qu'"un chien peut apprendre un tour en deux ou trois essais", note-t-il.
Les neurones sont au fondement de l'intelligence chez tous les animaux, des insectes aux humains.
Pour leur expérience, visant à découvrir s'il était possible d'exploiter l'intelligence inhérente des neurones, Brett Kagan et ses collègues ont prélevé des neurones de cerveaux embryonnaires de souris ainsi que des neurones issus de cellules souches d'humains adultes.
Ils ont ensuite cultivé ces neurones autour de matrices de microélectrodes capables de détecter leur activité et de les stimuler. Les expériences ont concerné des amas d'environ 800.000 neurones, la taille du cerveau d'un bourdon.
Dans une sorte de version simplifiée du jeu de tennis Pong, un signal était ensuite envoyé depuis la droite ou la gauche pour indiquer l'emplacement d'une balle et l'amas de neurones, baptisé par les chercheurs "DishBrain" (ou cerveau en boîte en français), répondait par un autre signal pour déplacer la raquette.
- "Principe de l'énergie libre" -
Un des principaux obstacles était de trouver comment amener les neurones à apprendre une tâche.
De précédents travaux avaient suggéré de les gratifier d'une dose d'"hormone du bonheur", la dopamine, à chaque action correcte -- mais cela s'est révélé difficile à accomplir avec la vitesse nécessaire.
A la place, l'équipe du Dr Kagan s'est appuyée sur la théorie dite du "principe de l'énergie libre" introduite il y a plus de dix ans par Karl Friston, l'auteur principal de l'étude publiée mercredi, et selon laquelle les cellules cherchent instinctivement à minimiser l'imprévisibilité de leur environnement.
Quand les neurones parvenaient à frapper la balle à l'aide de la raquette, ils recevaient donc une information prévisible indiquant leur réussite. Mais quand ils rataient leur coup, le signal reçu était aléatoire, imprévisible.
"La seule façon pour les neurones de faire en sorte que leur monde reste contrôlable et prévisible était de mieux réussir à toucher la balle", a détaillé Brett Kagan.
Son équipe considère que DishBrain est "sensible" -- ce qu'ils définissent comme étant capable de percevoir des informations sensorielles et d'y répondre de façon dynamique --, mais ne vont pas jusqu'à parler de "conscience", ce qui implique d'avoir conscience de sa propre existence.
Ce "cerveau en boîte" s'est même essayé au jeu qui remplace le moteur de recherche de Google en cas d'absence de connexion internet, qui consiste à faire courir un dinosaure parmi des obstacles, et les premiers résultats ont été encourageants, a indiqué Brett Kagan.
Les scientifiques veulent ensuite tester la manière dont des médicaments et l'alcool affectent l'intelligence de ces neurones, mais le Dr Kagan est surtout enthousiaste à l'idée de la possibilité de développer des ordinateurs biologiques.
"C'est (une expérience de) neurosciences rigoureuse et intéressante", estime Tara Spires-Jones, de l'université d'Edimbourg, qui n'a pas participé à l'étude.
"Pas d'inquiétude, même si ces boîtes de neurones peuvent modifier leurs réponses lorsqu'elles sont stimulées, ce ne sont pas des boîtes douées d'intelligence de type science fiction, ce sont de simples (bien qu'intéressants et importants d'un point de vue scientifique) réponses de circuit", rassure-t-elle.
C.Cassis--PC